|
|
| GLY ÆÐÅ· [ÇǽºÅæ, ·Îµå¾ç¿ëÆÐÅ·] |
 |
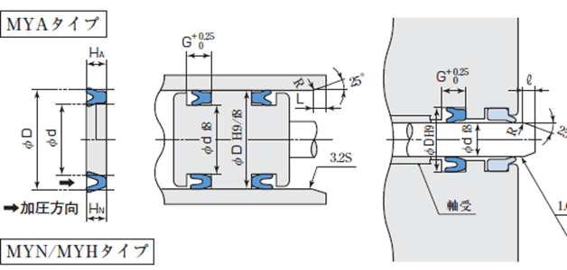
°ø±â¾Ð ½Ç¸°´õ¿ëÀÇ ÇǽºÅæ ·Îµå ¾ç¿ëÆÐÅ·ÀÔ´Ï´Ù. ¹«±ÞÀ¯ Àü¿ëÀ̱⠶§¹®¿¡ ±ÞÀ¯ ½Ç¸°´õ¿¡¼ÀÇ »ç¿ëÀº ÇÒ ¼ö ¾ø½À´Ï´Ù. ¿ëµµ : Ç¥ÁؽǸ°´õ ÆÐÅ·Àº À§ÀÇ µµ¸é°ú °°ÀÌ ¹æÇ⼺ÀÌ ÀÖ½À´Ï´Ù. ÀåÂø¹æÇâ¿¡ ÁÖÀÇÇØ ÁֽʽÿÀ. ÀåÂøGrooveÀÇ À§Ä¡¿¡ µû¶ó¼´Â ÀÏüÇüGroove¿¡ ÀåÂøµÇÁö ¸øÇÏ´Â °æ¿ì°¡ ÀÖ½À´Ï´Ù. À̶§¿¡´Â ºÐÇÒGroove±¸Á¶·Î ÇØ¾ß¸¸ ÇÕ´Ï´Ù. |
 |
|
|