Á¦Ç°¾È³»
¿À¸µ
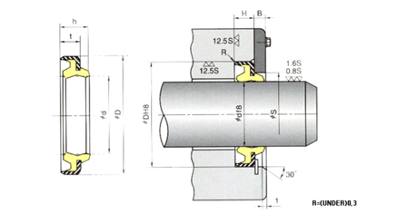
°¢¸µ
¿ÀÀϾÁ(¸®µ¥³ª)&¸³¾Á
¼öÀÔÆÐÅ·
À¯°ø¾ÐÆÐÅ·
¸ÞÄ«´ÏÄ®¾Á
¹æÁø°í¹«.°í¹«¹ß
°í¹«Ä¸.¾Øµåĸ
ºÎ½Ì.T¹ß.°í¹«¸¶°³
ÆÄÀÌÇÁ¼ÕÀâÀÌ
ÀÚ¹Ù¶ó
Vaccum Pad(ÈíÂø±â)
°í¹«¾ÐÃâ
³ëºê.±×¸³.·¹¹ö.ÇÚµé
°í¹«ÆÇ
°¡½ºÄÏ,±×·£µåÆÐÅ·
½ºÆùÁö
½Ç¸®ÄÜ Á¦Ç°
¿ì·¹Åº Á¦Ç°
·Î¶óÄÚÆÃ
¿ÀÀϰÔÀÌÁö(À¯¸é°è)
ÁÖ¹®Á¦ÀÛ ¼ºÇü



ö´õ½ºÆ® (KWK)
³»°æ(d) ¿Ü°æ(D) µÎ²²
t h
20 32 6 9
22 34 6 9
25 37 6 9
30 42 6 9
45 7 10
35 47 7 10
40 52 7 10
45 57 7 10
50 63 7 10
55 69 7 10
69 8 11
56 66 5 8
60 74 8 11
65 79 8 11
70 84 8 11
75 89 8 11
80 94 8 11
85 99 8 11
90 104 8 11
95 109 8 11
³»°æ(d) ¿Ü°æ(D) µÎ²²
t h
100 114 8 11
105 121 9 12
110 126 9 12
115 131 9 12
120 136 9 12
125 141 9 12
130 146 9 12
135 155 10 14
140 160 10 14
150 170 10 14
160 180 10 14