Á¦Ç°¾È³»
¿À¸µ
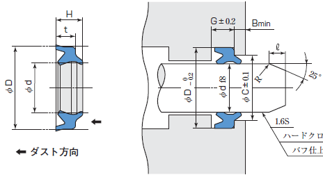
°¢¸µ
¿ÀÀϾÁ(¸®µ¥³ª)&¸³¾Á
¼öÀÔÆÐÅ·
À¯°ø¾ÐÆÐÅ·
¸ÞÄ«´ÏÄ®¾Á
¹æÁø°í¹«.°í¹«¹ß
°í¹«Ä¸.¾Øµåĸ
ºÎ½Ì.T¹ß.°í¹«¸¶°³
ÆÄÀÌÇÁ¼ÕÀâÀÌ
ÀÚ¹Ù¶ó
Vaccum Pad(ÈíÂø±â)
°í¹«¾ÐÃâ
³ëºê.±×¸³.·¹¹ö.ÇÚµé
°í¹«ÆÇ
°¡½ºÄÏ,±×·£µåÆÐÅ·
½ºÆùÁö
½Ç¸®ÄÜ Á¦Ç°
¿ì·¹Åº Á¦Ç°
·Î¶óÄÚÆÃ
¿ÀÀϰÔÀÌÁö(À¯¸é°è)
ÁÖ¹®Á¦ÀÛ ¼ºÇü



 
³»°æ(d) ¿Ü°æ(D) µÎ²²(t) µÎ²²(h)
16 24 4.5 6
18 26 4.5 6
20 28 4.5 6
22 30 4.5 6
22.4 30.4 4.5 6
25 33 4.5 6
28 36 4.5 6
30 38 5 6.5
31.5 39.5 5 6.5
32 40 5 6.5
35 43 5 6.5
35.5 43.5 5 6.5
36 44 5 6.5
40 48 5 6.5
50 5 6.5
45 53 5 6.5
55 5 6.5
50 58 5 6.5
60 5 6.5
53 61 5 6.5
55 63 5 6.5
56 64 5 6.5
60 68 5 6.5
63 71 5 6.5
65 73 5 6.5
78 5 6.5
67 75 5 6.5
70 80 6 8
71 81 6 8
75 85 6 8
80 90 6 8
85 95 6 8
90 100 6 8
95 105 6 8
³»°æ(d) ¿Ü°æ(D) µÎ²²(t) µÎ²²(h)
100 110 6 8
105 115 6 8
110 120 6 8
112 122 6 8
115 125 6 8
118 128 6 8
120 130 6 8
125 138 7 9.5
130 143 7 9.5
135 148 7 9.5
136 149 7 9.5
140 153 7 9.5
145 158 7 9.5
150 163 7 9.5
155 168 7 9.5
160 173 7 9.5
165 178 7 9.5
170 183 7 9.5
175 188 7 9.5
180 193 7 9.5
190 203 7 9.5
200 213 7 9.5
210 223 7 9.5
220 233 7 9.5
230 243 7 9.5
240 256 7 9.5
250 265 9 11.5
260 275 9 11.5
270 285 9 11.5
280 295 9 11.5
300 315 9 11.5
355 375 10 14
400 425 11 16